718系列角接觸球軸承

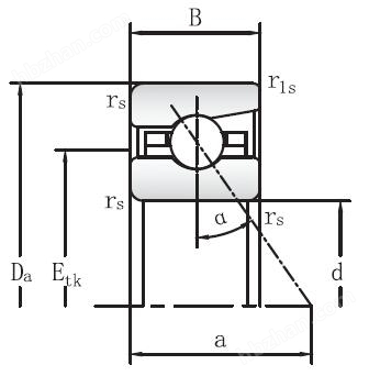
| 型號 | 尺寸 Dimensions | 安裝尺寸 Assemnly Dimensions | 載荷 Loading | 極限轉(zhuǎn)速 RPM | 重量 | ||||||||||
| Bearings | Weight | ||||||||||||||
| d | D | B | rsmin | r1smin | da | Da | ra | rb | Etk | Cdyn | C0stat | Grease | Oil | kg | |
| mm | mm | mm | h12 | H12 | max | max | kN | kN | min-1 | minimal | |||||
| 71800 | 10 | 19 | 5 | 0.3 | 0.1 | 12 | 17 | 0.3 | 0.1 | 13.3 | 1.9 | 0.98 | 75000 | 120000 | 0.005 |
| 71801 | 12 | 21 | 5 | 0.3 | 0.1 | 14 | 19 | 0.3 | 0.1 | 15.3 | 2.08 | 1.18 | 67000 | 100000 | 0.01 |
| 71802 | 15 | 24 | 5 | 0.3 | 0.1 | 17 | 22 | 0.3 | 0.1 | 18.3 | 2.28 | 1.5 | 56000 | 85000 | 0.01 |
| 71803 | 17 | 26 | 5 | 0.3 | 0.1 | 19 | 24 | 0.3 | 0.1 | 20.3 | 2.32 | 1.6 | 50000 | 75000 | 0.01 |
| 71804 | 20 | 32 | 7 | 0.3 | 0.1 | 23 | 29 | 0.3 | 0.1 | 24.5 | 3.8 | 2.65 | 43000 | 63000 | 0.02 |
| 71805 | 25 | 37 | 7 | 0.3 | 0.1 | 28 | 34 | 0.3 | 0.1 | 29.5 | 4.15 | 3.2 | 36000 | 53000 | 0.02 |
| 71806 | 30 | 42 | 7 | 0.3 | 0.1 | 33 | 39 | 0.3 | 0.1 | 34.5 | 4.4 | 3.65 | 30000 | 45000 | 0.03 |
| 71807 | 35 | 47 | 7 | 0.3 | 0.1 | 38 | 44 | 0.3 | 0.1 | 39.5 | 4.65 | 4.15 | 26000 | 40000 | 0.03 |
| 71808 | 40 | 52 | 7 | 0.3 | 0.1 | 43 | 49 | 0.3 | 0.1 | 44.5 | 4.8 | 4.55 | 24000 | 38000 | 0.03 |
| 71809 | 45 | 58 | 7 | 0.3 | 0.1 | 48 | 55.5 | 0.3 | 0.1 | 49.6 | 7.2 | 6.95 | 22000 | 36000 | 0.04 |
| 71810 | 50 | 65 | 7 | 0.3 | 0.1 | 54 | 61.5 | 0.3 | 0.1 | 55.6 | 7.35 | 7.35 | 19000 | 32000 | 0.05 |
| 71811 | 55 | 72 | 9 | 0.3 | 0.1 | 59 | 68.5 | 0.3 | 0.1 | 61.2 | 10.2 | 10.2 | 17000 | 28000 | 0.08 |
| 71812 | 60 | 78 | 10 | 0.3 | 0.1 | 63 | 74.5 | 0.3 | 0.1 | 66.3 | 13.2 | 13.2 | 16000 | 26000 | 0.1 |
| 71813 | 65 | 85 | 10 | 0.6 | 0.3 | 69 | 80.5 | 0.6 | 0.3 | 72.3 | 13.4 | 14 | 15000 | 24000 | 0.13 |
| 71814 | 70 | 90 | 10 | 0.6 | 0.3 | 74 | 85.5 | 0.6 | 0.3 | 77.3 | 14 | 15 | 14000 | 22000 | 0.14 |
| 71815 | 75 | 95 | 10 | 0.6 | 0.3 | 79 | 90.5 | 0.6 | 0.3 | 82.3 | 14.3 | 15.6 | 13000 | 20000 | 0.14 |
| 71816 | 80 | 100 | 10 | 0.6 | 0.3 | 84 | 95.5 | 0.6 | 0.3 | 87.3 | 14.6 | 16.6 | 12000 | 19000 | 0.15 |
| 71817 | 85 | 110 | 13 | 1 | 0.3 | 90 | 105 | 1 | 0.3 | 94.1 | 21.6 | 24 | 11000 | 18000 | 0.27 |
| 71818 | 90 | 115 | 13 | 1 | 0.3 | 95 | 110 | 1 | 0.3 | 99.4 | 21.2 | 23.6 | 11000 | 18000 | 0.28 |
| 71819 | 95 | 120 | 13 | 1 | 0.3 | 100 | 115 | 1 | 0.3 | 104.4 | 21.6 | 24.5 | 10000 | 17000 | 0.29 |
| 71820 | 100 | 125 | 13 | 1 | 0.3 | 105 | 120 | 1 | 0.3 | 109.4 | 21.6 | 25 | 9500 | 16000 | 0.3 |
| 71821 | 105 | 130 | 13 | 1 | 0.3 | 110 | 125 | 1 | 0.3 | 114.4 | 22.8 | 27.5 | 9000 | 15000 | 0.3 |
| 71822 | 110 | 140 | 16 | 1 | 0.3 | 116 | 134 | 1 | 0.3 | 121.2 | 31.5 | 36.5 | 8500 | 14000 | 0.5 |
| 71824 | 120 | 150 | 16 | 1 | 0.3 | 126 | 144 | 1 | 0.3 | 131.2 | 32 | 39 | 7500 | 12000 | 0.5 |
| 71826 | 130 | 165 | 18 | 1.1 | 0.6 | 137 | 158 | 1.1 | 0.6 | 143.1 | 42.5 | 51 | 7000 | 11000 | 0.8 |
| 71828 | 140 | 175 | 18 | 1.1 | 0.6 | 147 | 168 | 1.1 | 0.6 | 153.1 | 43 | 54 | 6300 | 9500 | 0.8 |
| 71830 | 150 | 190 | 20 | 1.1 | 0.6 | 158 | 182 | 1.1 | 0.6 | 164.8 | 56 | 69.5 | 6000 | 9000 | 1.1 |
| 71832 | 160 | 200 | 20 | 1.1 | 0.6 | 168 | 192 | 1.1 | 0.6 | 174.8 | 57 | 73.5 | 5600 | 8500 | 1.2 |
| 71834 | 170 | 215 | 22 | 1.1 | 0.6 | 179 | 206 | 1.1 | 0.6 | 186.7 | 68 | 88 | 5000 | 7500 | 1.6 |
| 71836 | 180 | 225 | 22 | 1.1 | 0.6 | 189 | 216 | 1.1 | 0.6 | 196.7 | 71 | 93 | 4800 | 7000 | 1.7 |
| 71838 | 190 | 240 | 24 | 1.5 | 0.6 | 201 | 229 | 1.5 | 0.6 | 80 | 108 | 4500 | 6700 | 2.2 | |
| 71840 | 200 | 250 | 24 | 1.5 | 0.6 | 211 | 239 | 1.5 | 0.6 | 218.9 | 81.5 | 114 | 4300 | 6300 | 2.3 |
| 71844 | 220 | 270 | 24 | 1.5 | 0.6 | 231 | 259 | 1.5 | 0.6 | 3800 | 5600 | 2.5 | |||
| 71848 | 240 | 300 | 28 | 2 | 1 | 253 | 287 | 2 | 1 | 262.8 | 106 | 150 | 3400 | 5000 | 3.9 |





